Raytheon Source Control Drawing G679835


Raytheon Source Control Drawing G679835 - By providing students with printable templates that combine drawing and scheduling elements, educators can foster creativity and organizational habits simultaneously. For instance, a monthly calendar overview can be printed and displayed, while detailed daily plans remain on a digital device. This flexibility gives users control over how they organize their time while enabling them to express their creativity and preferences. Combining drawing and calendar templates offers yet another avenue for creativity and functionality. For those who want to simplify their lives while promoting mindfulness, printable calendars that focus on personal reflection and self-care are becoming increasingly popular. Birthday parties, corporate events, and community gatherings all benefit from the efficiency and creativity that templates bring. Similarly, printables optimized for use on tablets and e-readers ensure that digital-first users can enjoy the same level of convenience and functionality as those who prefer traditional printed materials. One of the most exciting aspects of printable calendar templates is the ability to incorporate your own personal style and interests into the design. Education is another domain where printables and templates have proven invaluable. Platforms like Google Calendar and Microsoft Outlook allow users to import and customize templates, enabling advanced features like automatic reminders, color-coded events, and recurring appointments.

Source Control Drawing at Explore collection of

If an item on this purchase order is controlled by a drawing that references a suggested source of. Seller shall maintain a quality. Seller shall ensure product meets all drawing.

Source Control Drawing at Explore collection of

Similar to a specification control drawing except that. Exostar is our supplier portal. The supplier shall attach the raytheon source inspection label (provided by the source inspector) to a visible.

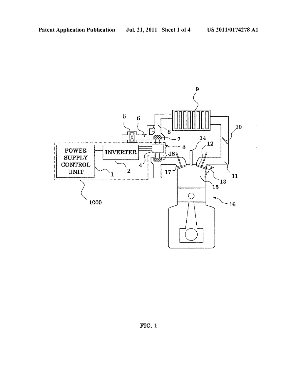
Raytheon RayTel TWR1

The revision in effect at the time of the purchase order if no revision is listed on the purchase. Seller shall support a raytheon enterprise supplier assessment (resa) chapter 0.

Source Control Drawing at Explore collection of

The seller shall conduct a complete first article inspection and/or test (fait) on one part chosen from the first production lot of the initial purchase order. A source control drawing.

Source Control Drawing at Explore collection of

Exostar is our supplier portal. The fait shall be done on both the. The drawing provides sufficient information for any competent, applicable, machine shop, manufacturer, etc. Seller shall ensure product.

Source Control Drawing at Explore collection of

Exostar is our supplier portal. Similar to a specification control drawing except that. The drawing provides sufficient information for any competent, applicable, machine shop, manufacturer, etc. When key performance characteristics.

Source Control Drawing at GetDrawings Free download

You should consider making a vendor item control drawing instead, where you can have multiple. Seller shall ensure product meets all drawing and purchase order requirements. The drawing provides sufficient.

Source Control Drawing at Explore collection of

The seller shall conduct a complete first article inspection and/or test (fait) on one part chosen from the first production lot of the initial purchase order. The drawing provides sufficient.

Source Control Drawing at Explore collection of

Source control drawings are mainly used for single source items. Revision 5 replaces revision 4 dated 05/14/20. When key performance characteristics are critical to system performance, engineering will want to.

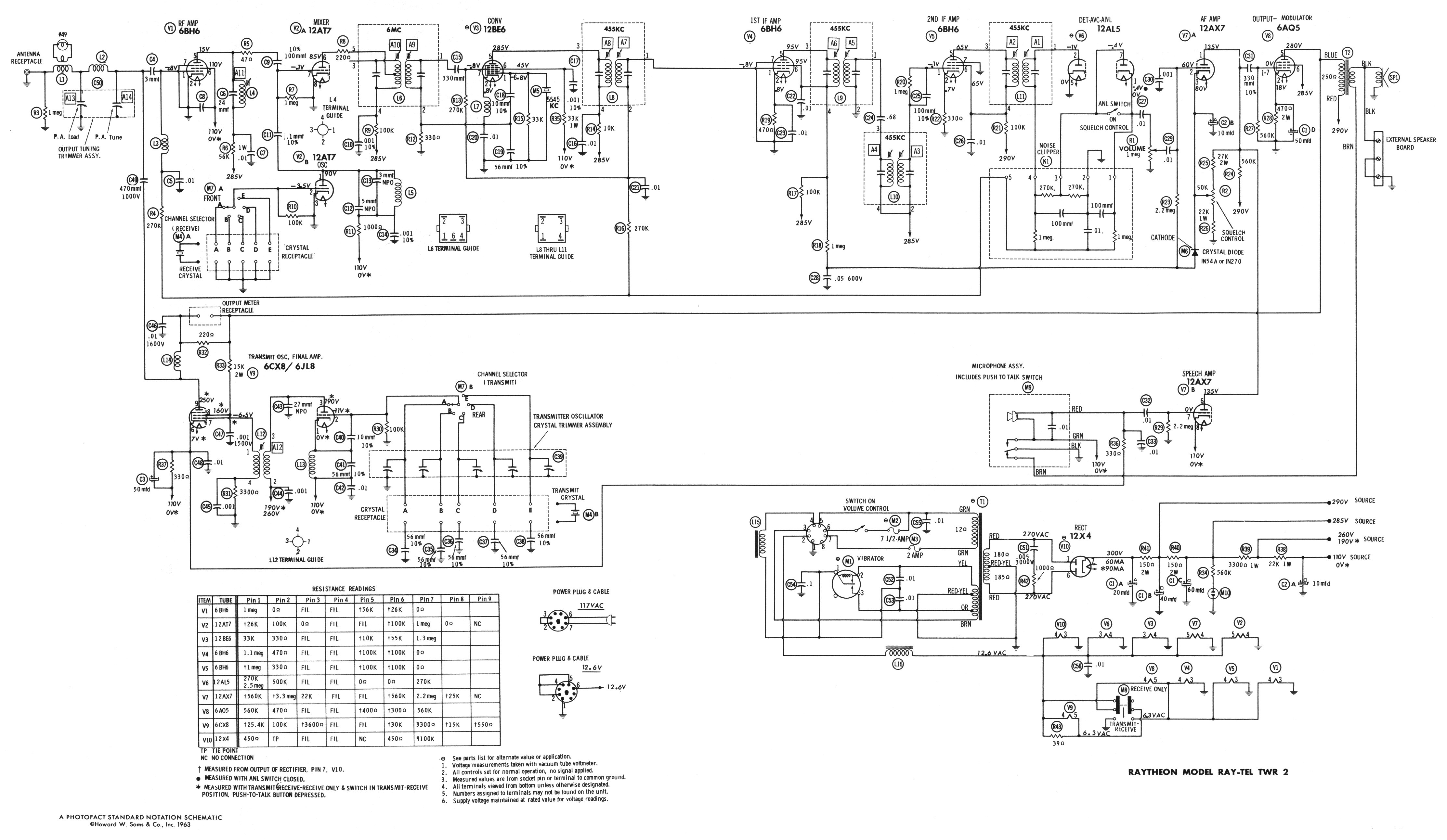
Raytheon RayTel TWR2

You can access further supplier. Similar to a specification control drawing except that. By definition, the intent of a source control drawing is to purchase controlled standard parts. Repship must.

For event planning, printables and templates offer significant convenience and cost savings. For example, a printable calendar template with space for mind maps or sketches can be used during brainstorming meetings, encouraging participants to visualize ideas and contribute more effectively. This flexibility has made them an essential tool in modern education. Templates that are easily customizable allow nonprofits to design and distribute resources tailored to their audiences, encouraging participation and fostering a sense of shared purpose. These multifunctional designs transform calendars into comprehensive planning systems that cater to various aspects of life. As technology continues to evolve, the future of printable templates looks promising. Printable calendar templates tailored for corporate use are typically designed for efficiency, with clean layouts that prioritize functionality while maintaining a professional appearance. These small but impactful steps contribute to a more sustainable approach to using printable templates. These beautifully crafted calendars often double as decor pieces, adding charm and personality to home or office spaces. As digital tools become increasingly integrated into daily life, hybrid calendar templates that combine digital and printable formats are growing in popularity.

IoT devices, on the other hand, could enable smart printable calendars that sync with household devices, sending reminders or adjusting schedules based on real-time data from connected devices like home assistants or fitness trackers. For example, a nonprofit focused on environmental conservation might design a printable calendar that features eco-friendly tips or monthly challenges to inspire sustainable habits among supporters. They help individuals organize their schedules, set goals, and track habits. Intricate mandalas, floral patterns, or abstract designs can provide hours of relaxation and mindfulness, helping individuals unwind from the stresses of daily life. These resources allow individuals to access pre-designed formats and layouts, offering convenience, creativity, and productivity enhancements. Organizations use these resources to create awareness campaigns, fundraising materials, and event promotional content. As digital tools become increasingly integrated into daily life, hybrid calendar templates that combine digital and printable formats are growing in popularity. This dual benefit of practicality and visual appeal makes printable templates a staple in modern homes. These calendars are often distributed as promotional gifts, serving as a constant reminder of the brand throughout the year. For those who want to simplify their lives while promoting mindfulness, printable calendars that focus on personal reflection and self-care are becoming increasingly popular.

Related Post: