How Are Datums Identified On The Process Drawing


How Are Datums Identified On The Process Drawing - These printable calendars not only help organizations stay organized but also serve as a valuable communication tool for keeping supporters informed about upcoming initiatives. The effectiveness of printable templates also extends to the realm of corporate training. The diversity of styles and purposes ensures there is a printable or template for nearly every conceivable occasion or task. Their versatility, accessibility, and affordability make them a valuable asset for individuals and organizations alike. These tools help streamline the planning process and reduce stress, enabling organizers to focus on creating memorable experiences. These innovations demonstrate how templates are evolving to become smarter and more intuitive. Themed printable calendars not only serve functional purposes but also create a sense of excitement and engagement around planning. One of the most significant advantages of printable calendars is their adaptability to different lifestyles and needs. This inclusivity reflects the universal appeal of printables and templates as tools that transcend borders and foster connection. This flexibility is particularly valuable for individuals who lack design expertise but still desire professional-looking results.

Dimensioning in Engineering Drawing For Machine Parts MachineMFG

As such, it plays a critical role in ensuring. Of the five geometric features that are commonly. Specific examples include labeling a datum reference frame origin on a given drawing,.

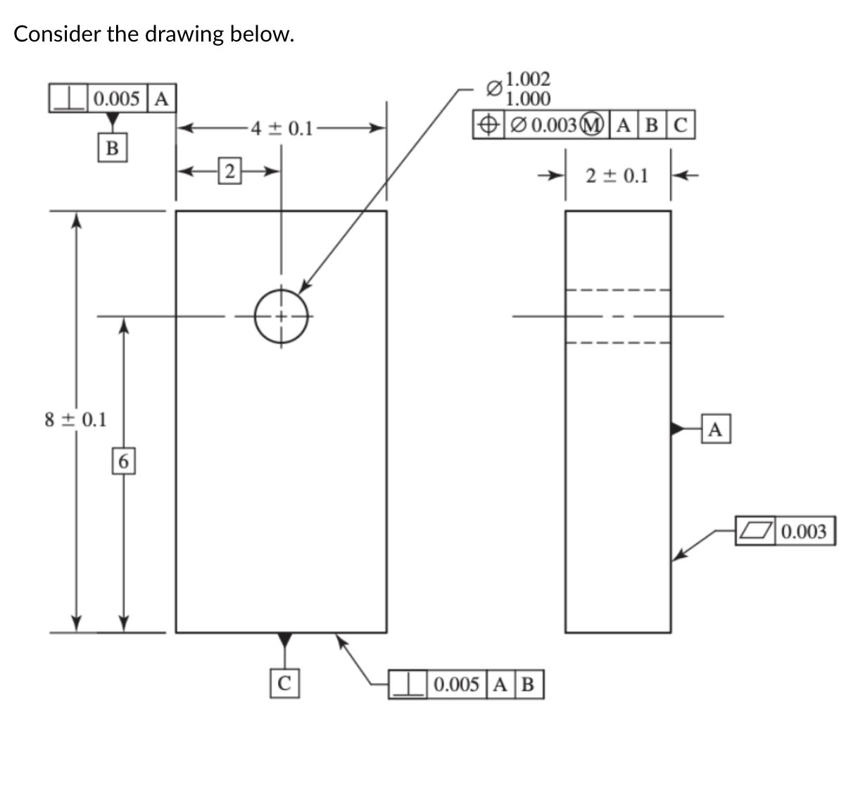
Solved Consider the drawing below.a) What are the datums

Asme y14.5 (1994) defines a datum as “a theoretically exact point, axis, or plane derived from the true geometric counterpart of a specified datum feature. A datum is identified on.

Solidworks advanced drawing Define datum feature YouTube

The use of datums—points for measuring dimensions and tolerance specifications—is a crucial component of gd&t. A datum can be used in drafting to establish a reference point, line, or plane.

Datum Drawing at GetDrawings Free download

Of the five geometric features that are commonly. Specific examples include labeling a datum reference frame origin on a given drawing, sketching datum feature symbols on a drawing given sentence.

Datums GDT Drawing Checking 942014 Daniel Pasholk 1

In gd&t, a datum refers to a reference point, line, or surface that serves as the origin for measuring and locating other features of a part. A datum is identified.

[Solved] solve completely. identify the DATUMS shewn en the drawing by

The basic dimensions shown on a print are called _______ dimensions. Datums are critical because they. It ensures consistency and accuracy in the design and. It consequently dictates how parts.

Datum Drawing at GetDrawings Free download

The basic dimensions shown on a print are called _______ dimensions. Of the five geometric features that are commonly. Which type of fit is used when there is to be.

Solved e) On the drawing, identify the three datums. f) What

Which type of fit is used when there is to be no movement between the parts? The datum symbol is typically a triangle, either white or black, and is positioned.

Identify the DATUMS shown on the drawing by marking them on the drawing

Specific examples include labeling a datum reference frame origin on a given drawing, sketching datum feature symbols on a drawing given sentence descriptions of the datums, identifying. Which type of.

Help with Drawing Datums..? Drafting Standards, GD&T & Tolerance

Of the five geometric features that are commonly. As such, it plays a critical role in ensuring. Specific examples include labeling a datum reference frame origin on a given drawing,.

Printable calendars, with their ability to break down days, weeks, and months into manageable chunks, are perfectly suited to this need. The creative potential of calendars extends into the realm of marketing and branding. For remote workers and freelancers, such templates are particularly useful in creating boundaries between work and personal life. In conclusion, the synergy between printable resources, templates, and calendars continues to drive innovation and creativity in personal and professional organization. The availability of aesthetically pleasing designs makes these tools more enjoyable to use, increasing the likelihood of adherence to personal goals. Printable templates have become an integral part of creative and organizational tools, offering a versatile solution for a wide range of needs. This seamless integration ensures that schedules remain accessible and up-to-date across all mediums. Similarly, multilingual templates enable businesses and individuals to communicate effectively with a global audience. The environmental impact of printables is another topic worth considering. These specialized templates have made managing pet-related tasks more efficient and less prone to oversight.

And with the rise of digital drawing tools and software, it's never been easier to create your own illustrations or graphics to incorporate into your calendar design. Online platforms and marketplaces now offer extensive libraries of templates for drawing and calendars, enabling users to browse, download, and print designs with ease. Users are encouraged to print only what they need and to repurpose templates whenever possible. These individuals may create and sell their own custom printable calendars, adding an artistic flair that distinguishes their products from generic options. As we continue to navigate the ups and downs of modern life, staying organized and focused has never been more important. Looking ahead, the future of printables and templates is poised to be even more dynamic and innovative. For example, a printable calendar with blank spaces for drawing allows users to illustrate their mood, highlight important dates with doodles, or decorate their schedules with themed designs. For students and educators alike, printable academic calendar templates are vital for managing the demands of the school year. With the advent of digital printing platforms, users can access templates that are not only easy to personalize but also available in high resolutions, ensuring a polished final product. Printable calendars featuring hand-drawn illustrations, intricate patterns, or themed artwork add a personal touch to planning tools.

Related Post: